通風蝶閥性能參數
| 公稱通徑 | DN(mm) | 50~2000 | ||
| 公稱壓力 | PN(MPa) | 0.05 | 0.25 | 0.6 |
| 試驗壓力 Ps(MPa) | 強度試驗 | 0.075 | 0.375 | 0.9 |
| 密封試驗 | ≤1.5%泄漏量 | |||
| 適用介質 | 煤氣、含塵氣體、煙道氣等 | |||
| 驅動形式 | 手動、蝸桿蝸輪傳動、氣傳動、電傳動 | |||
通風蝶閥特點
1、通風蝶閥設計新穎、合理,結構獨Te,重量輕,啟閉迅速。
2、蝶閥操力矩小,操作方便,省力靈巧。
3、采用適應的材料以滿足低、中、高不同介質溫度其及腐蝕性介質等。
4、內無連桿、螺栓等、工作可靠、使用壽命長,不受介質流向影響。

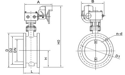
通風蝶閥主要外形和連接尺寸
公稱通徑 | 主要外形尺寸和連接尺寸 | |||||||
L | D1 | D | Z-d | H | H0 | A | B | |
50 | 108 | 110 | 140 | 4-14 | 70 | 215 | 270 | 65 |
65 | 112 | 130 | 160 | 4-14 | 80 | 235 | 270 | 65 |
80 | 124 | 150 | 190 | 4-18 | 95 | 263 | 270 | 65 |
100 | 127 | 170 | 210 | 4-18 | 105 | 283 | 270 | 65 |
125 | 140 | 200 | 240 | 8-18 | 120 | 313 | 310 | 65 |
150 | 140 | 225 | 265 | 8-18 | 132.5 | 338 | 310 | 65 |
200 | 152 | 280 | 320 | 8-18 | 160 | 493 | 365 | 90 |
250 | 165 | 335 | 375 | 12-18 | 187.5 | 550 | 365 | 90 |
300 | 178 | 395 | 440 | 12-22 | 220 | 615 | 365 | 90 |
350 | 190 | 445 | 490 | 12-22 | 245 | 678 | 365 | 90 |
400 | 216 | 495 | 540 | 16-22 | 270 | 727 | 365 | 90 |
450 | 222 | 550 | 595 | 16-22 | 297.5 | 782 | 365 | 90 |
相關文章
在工業管道系統的安全運行中,盲板閥的質量合規性至關重要,而衡量盲板閥質量是否達標的核心依據,便是其是…
在工業管道系統中,盲板閥是實現介質切斷與隔離的核心設備,其性能直接影響管道運行的安全性與穩定性,而閥…
在工業管道介質輸送系統中,插板閥的公稱直徑是否與管道內徑、流量需求匹配,直接影響系統的流量損失與輸送…
在工業設備采購中,插板閥的質量直接決定其使用壽命與運行安全性,而廠家的質量檢測體系是保障插板閥質量的…
在工業管道系統選型中,插板閥能否長期穩定運行,首要前提是其材質與適配的介質類型兼容。不同介質(如氣體…
在工業管道系統中,系統工作壓力是決定插板閥能否安全運行的核心參數之一。若插板閥的公稱壓力與系統工作壓…